鉄 ホーロー(平先) M3.5x10 生地 【10個入】

【M3.5×10】 鋼製六角穴付き止めねじの先端平先。

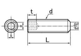
■説明:頭部が無く、全ねじの形状となってます。六角穴があいていて六角レンチで締め付けします。主に軸となるシャフト等を固定したり、調整等に使用されています。ねじ部先端は平らで相手材には面で接触する形となります。JISでの正式名は六角穴付き止めねじになりますが六角穴付きボルトと混同してしまいやすい為、ホーローセット、ホーローなどと呼ばれる場合も多いです。英語表記の「Hexagon socket set screws」のセットとHollow(くぼみという意味)のホローからホーローセットと呼ばれるようになりました。
■規格:JIS B1177に基づいています。
■材質:鉄
■処理:生地(焼入れ黒染め処理)■寸法の呼び方:(ねじの呼びd)x(長さL)

Trend Ranking

Popular Items

Favorite

MORE
All Delete
MORE
All Delete

History

MORE
All Delete
MORE
All Delete