ステンレス ボタンキャップ(JIS) M5x20 BK 【10個入】

【M5×20】 SUS製ブラックの六角穴付ボタンボルト

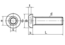
■説明:頭部が丸頭の六角穴があいているボルトで六角レンチで締め付けします。JISでの正式名は六角穴付きボタンボルトになりますがボタンキャップとも呼ばれています。ボタンキャップにはSSS規格とJIS規格があり、頭部の形状が少し違います。頭部の高さも違いますので設計や選定には注意が必要です。■規格:JIS B1174に基づく (M2、M2.5はメーカー規格となります)■材質:ステンレス■処理:BK(黒色)
■寸法の呼び方:(ねじの呼びd)x(長さL)

Trend Ranking

Popular Items

Favorite

MORE
All Delete
MORE
All Delete

History

MORE
All Delete
MORE
All Delete