マサル ニュー・エフモール付属品 マガリ 2号 ミルキーホワイト SFMM23

SFMM23

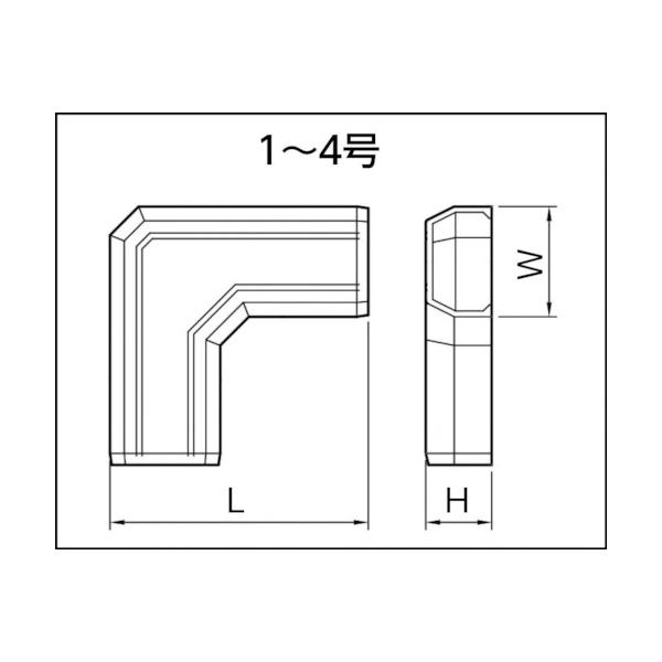
●取り付けはワンタッチです。<br>●平面での直角接続に使用します。<br><br>●平面での直角接続に使用。<br>●壁面の配線保護に。<br><br>●色:ミルキーホワイト<br>●適合本体:SFM2号・SFT2号<br>●厚さ(mm):13.6<br>●長さ(mm):55<br>●幅(mm):24.4<br>●サイズ(mm)H:13.6<br>●サイズ(mm)L:55<br>●サイズ(mm)W:24.4<br><br>●取付けはワンタッチです。<br><br>●ASA樹脂<br><br>●床面の配線には使用できません。…電子機器 電設配線部品 ケーブルカバー…

Trend Ranking

Popular Items

Favorite

MORE
All Delete
MORE
All Delete

History

MORE
All Delete
MORE
All Delete